Search
× Search
NMEA síť podruhé aneb na co všechno narazíte v praxi
Jan Onheiser

NMEA síť podruhé aneb na co všechno narazíte v praxi

V předcházejícím článku jsem popsal fungování NMEA sítě na lodi. Z teoretického hlediska. Dneska se zaměřím na některé praktické otázky.

Systémy

V praxi se dneska setkáte na jachtě se třemi komunikačními systémy. Jenže i tři mušketýři byli čtyři, takže máme čtyři základní pojmy, se kterými je nutno pracovat.

  1. NMEA 2000

Nejnovější komunikační systém. Jeho fungování je velice jednoduché a popsal jsem jej v předcházejícím článku. Jednotlivé komunikační příkazy jsou sjednoceny a přístroje různých výrobců ve standardu NMEA 2000 spolu vzájemně komunikují.

  1. NMEA 0183

Starší komunikační systém, který umožňuje komunikaci přístrojů různých výrobců. Zapojení není tak jednoduché, jako v případě NMEA 2000, ale přesto je zachována vzájemná kompatibilita přístrojů.

U tohoto systému je v některých případech nezbytné nastavit pomocí PC rozhraní, které informace budou předávány. Také je nutné zachovat hierarchii napojení jednotlivých přístrojů.

  1. SeaTalk

Starší komunikační protokol společnosti RAYMARINE. Příkazy jsou velmi podobné NMEA 0183, ale kompatibilita není vždy zaručena.

  1. SeaTalk NG

SeaTalk NG neboli New Generation není nic jiného než NMEA 2000 s jinou koncovkou na konci propojovacího kabelu. SeaTalk NG používá společnost RAYMARINE.

Totéž má společnost SIMRAD, která používá obchodní označení SimNET, což je opět NMEA 2000 síť s jinou koncovkou.

Vzájemná kompatibilita

Síť NMEA 2000

Dobrá zpráva je, že při použití odpovídajících kabelů (nebo redukcí) je možné přístroje NMEA 2000, SeaTalk NG a SimNET propojit do sítě, aniž bychom se setkali s většími problémy. Všechny přístroje by měly spolu bez problémů komunikovat a vzájemně si předávat informace. Obecně lze konstatovat, že NMEA 2000, SeaTalk NG a SimNET jsou pouze jiné obchodní označení pro stejný komunikační protokol. NMEA 2000 je obecné označení National Marine Electronics Association, které používá většina výrobců, SeaTalk NG je obchodní označení od RAYMARINE a SimNET je obchodní označení od SIMRAD.

Ta špatná zpráva je, že v některých případech není komunikace tak bezproblémová, jak se zdá. Nemám s tím praktickou zkušenost, ale dle údajů z webových stránek RAYMARINE nebudou na plotrech ostatních výrobců dostupné všechny funkce autopilotů značky RAYMARINE. Obdobně se vyjadřují i jiní výrobci.

NMEA 2000 a starší protokoly

Tady je situace komplikovanější, ale řešitelná. Pomocí aktivních prvků, tzv. multiplexer lze do sítě NMEA 2000 napojit starší přístroje, které fungují na protokolech NMEA 0183 nebo SeaTalk. Je několik výrobců multiplexerů, kteří umožňují toto napojení.

Namátkou uvádím NMEA 2000 Wi-Fi Router YDNR-02 od kanadské firmy Yacht Devices -

https://www.yachtd.com/products/wifi_router.html. Tento má v sobě i wifi router, kterým se připojíte i s tabletem.

Bohužel starší komunikační protokoly neumožňují převod všech informací do NMEA 2000 sítě, takže opět se může stát, že ne všechny funkce budou plně k dispozici. Největší problém je zase s autopilotem. Nicméně dle komunikace s technikem od Yacht Devices by pomocí tohoto multiplexeru mělo být možné propojit stařičký autopilot RAYTHEON AUTOHELM 300 s plotrem a dalšími přístroji v rámci sítě NMEA 2000.

Praktická instalace

Než se pustíte do praktické instalace upgradu vašeho palubního systému, je dobré si prověřit, na jakých protokolech vaše přístroje fungují. Jestliže instalujete všechny přístroje nové, tak asi nebude problém je koupit od jedné značky v novém NMEA 2000 protokolu. Tady by neměly být žádné komplikace. Vše funguje na principu plug & play a při zachování zásad NMEA 2000 sítě to v pohodě zvládne každý sám.

Negativní zkušenost jsem udělal s adaptérem SeaTalk NG – NMEA 2000. Potřeboval jsem zapojit RAYMARINE p70 (systém SeaTalk NG) do kabeláže NMEA 2000. Bohužel při napojení je někde špatný kontakt a adaptér je v praxi nepoužitelný. Vyzkoušel jsem 4 úplně nové adaptéry a chyba byla ve všech. Je proto lepší použít již hotový kabel SeaTalk NG - NMEA 2000 (male).  Případně je možné koupit samostatnou koncovku NMEA 2000 (male), kterou nainstalujete na SeaTalk NG kabel. Je jen nezbytné postupovat podle schématu barev kabelů.

Budete – li do sítě instalovat starší přístroje fungující na protokolech NMEA 0183 nebo SeaTalk, budete potřebovat některý z převodníků, který umí posílat data do novější sítě. V mém případě to je právě výše zmíněný YDNR-02, pomocí kterého napojím autopilota.

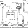
Další věc, na kterou se budete muset zaměřit, je napájení NMEA 2000 sítě. Každý z přístrojů má tzv. LEN číslo (load equivalance number). Jednoduše řečeno – jaký proud si přístroj bere z NMEA 2000 sítě. Jeden LEN odpovídá proudu 50 mA. Údaje o LEN přístroje najdete v manuálu. Napájení sítě musí být vyvážené. Napájecí kabel je proto nutné umístit doprostřed sítě míněno ve smyslu odběru proudu jednotlivých přístrojů.

Například, mají – li všechny vaše přístroje celkový LEN 24, je nutné napájení sítě zapojit tak, aby na levé straně byly přístroje se součtem LEN 12 a na pravé stranu sítě taktéž s 12 LEN. Před instalací si musíte udělat nákres zapojení a napájecí kabel umístit správně. Pro úplnost je nutné dodat, že záleží také na délce kabeláže, ale pro klasickou plachetnici s délkou páteřní sítě okolo 10 až 15 metrů, můžeme tuto otázku zanedbat. Kdo by chtěl vědět více, tak na stránkách GARMIN lze najít odpovídající vzorec pro výpočet vztahu LEN a délky kabelu.

Další praktickou záležitostí jsou koncovky NMEA 2000 sítě, které můžete instalovat přímo na místě jen za pomocí šroubováku a stahovacích kleští. Protáhnout kabel podpalubím bývá občas pěkný oříšek a protáhnout kabel s koncovkou o průměru cca 1 cm je prakticky nemožné.

Když začnete páteřní síť instalovat, ujistěte se, že jedete stále jedním směrem. Kabely jsou na principu samec – samice (male – female) a může se vám stát, že budete mít najednou dvě stejné koncovky u sebe.

Na druhou stranu je naprosto jedno, zda na přídi bude samec nebo samice. Jelikož koncovka na přístroji je samec a propojovací kabel (drop cabel nebo spur) na páteřní kabel (backbone) je v logice: přístroj (m) – (f) kabel (m) – Tkus (f), zachoval jsem tuto logiku a od zádě na příď jsem šel koncovkou samec napřed. A nezapomeňte na oba konce sítě umístit tzv. koncové konektory, bez kterých nebude síť fungovat.

Při instalaci je dále vhodné mít k dispozici odpovídající počet 4 T kusů a T kusů, a tyto umístit tam, kde předpokládáte napojení více přístrojů v budoucnu. Na lodi jsem postupoval následovně:

  • kormidlo: 4 T kus – napojení:
    • wind display
    • TRIDATA
    • autopilot
    • plotter
  • podpalubí záď: T kus – napojení
    • GPS anténa
  • podpalubí zadní kajuta: T kus – napojení
    • autopilot
  • kapitánský stolek: 4 T kus – napojení
    • napájení
    • GND 10 black box pro wind
    • VHF s AIS
    • volný konektor
  • příď: T kus – napojení
    • TRIDATA senzor

Přeji hodně zdaru při zapojování celého systému a budu – li moci poradit, klidně se ptejte.

 

 

Vytisknout
5668

Odpovědní formulář

Vyplňte jméno a příjmení, případně tituly
Vyplňte prosím Váš email.

Tipněte vítěze Velikonoční regaty 2020
Potvrďte prosím souhlas se soutěžními podmínkami.
Souhlasím se soutěžními podmínkami

Pravidla tipovací soutěže Vendée Globe s Helly Hansen

Soutěž probíhá od okamžiku zveřejnění do 17. ledna 2021 do 24:00.

Pořadatel soutěže

Pořadatelem tipovací soutěže Vendée Globe s Helly Hansen (dále jen „soutěž“) jsou Lodní noviny sro, se sídlem Pod Havlínem 748, Praha 5, 156 00, IČO: 05897289 (dále jako „pořadatel“).

Doba a místo platnosti soutěže

Soutěž probíhá ode dne zveřejnění soutěže na webu www.lodninoviny.cz do  17. ledna 2021 do 24:00 hodin středoevropského času (dále jen čas trvání soutěže) na území České a Slovenské republiky.

Účastníci soutěže

Soutěže se může zúčastnit ten, kdo v čase trvání soutěže tipuje vítěze vyplněním formuláře na stránce soutěže. Osoba nesplňující podmínky účasti, nebo jednající v rozporu s pravidly soutěže, nebude do soutěže zařazená. Pokud by se ukázalo, že taková osoba se i přes výše uvedené stala výhercem v soutěži, například v důsledku nepravdivých informací, které poskytla, nemá nárok na výhru a tato nebude předaná. Ze soutěže jsou vyloučeni zaměstnanci pořadatele a jejích partnerů a osoby jim blízké ve smyslu dle § 22 zákona č. 89/2012 Sb., občanský zákoník, ve znění pozdějších předpisů.

Každý účastník soutěže může na soutěžní otázku odpovědět pouze jednou.

Pravidla soutěže

  1. Účastník soutěže musí splnit úkol – správně uhádnout vítěze Vendée Globe 2020. Na otázku v zadání soutěže se odpovídá vyplněním formuláře na stránce soutěže a odesláním formuláře organizátorovi soutěže.
  2. V případě splnění kritéria (1) postupuje účastník soutěže do losování, ve kterém Lodní noviny náhodně vylosují výherce.

Do soutěže jsou zařazené jen platně vyplněné a odeslané formuláře.

Ceny do soutěže

Soutěž probíhá ode dne zveřejnění soutěže do 17. ledna 2021 do 24:00 hodin středoevropského času na webové stránce www.lodninoviny.cz. Do soutěže se čtenáři zapojí vyplněním a odesláním formuláře se správnými odpověďmi. Správné odpovědi budou slosovány nejpozději do 4 dnů od vyhlášení oficiálního vítěze závodu. Následující den budou vítězové zveřejněni na Lodních novinách. 

Ceny do soutěže věnuje společnost Helly Hansen. 

Vítěz získá bundu AEGIR OCEAN DRY TOP.  Tato cena je určena pro soutěžícího, který správně uhodne vítěze a bude vylosován. 

V soutěži jsou také 3 ceny útěchy. Jde o baťohy HH Scout Duffel L. Cenu útěchy vyhraje ten, kdo se zúčastní soutěže a bude vylosován. 

Lodní noviny jsou oprávněny zveřejnit jméno a příjmení výherců na svých profilech na sociálních sítích a webových stránkách.

Závěrečná ustanovení

Pořadatel nenese odpovědnost za jakoukoliv technickou chybu při organizaci soutěže a má právo konečného rozhodnutí ve všech záležitostech soutěže včetně jejího ukončení.  O jakýchkoliv reklamacích či námitkách rozhoduje s konečnou platností pořadatel. Pořadatel si vyhrazuje právo bez náhrady soutěž zkrátit, přerušit anebo zrušit či jednostranně změnit nebo doplnit její podmínky, a to tak, že změnu vyhlásí na webových stránkách, kde jsou k dispozici platné a úplné podmínky.

Účastí v soutěži vyjadřuje soutěžící souhlas s těmito pravidly a poskytuje Lodním novinám dobrovolně souhlas se zpracováním svých osobních údajů. Souhlas je možné kdykoliv písemně odvolat. Soutěžící má právo na přístup k Údajům, právo požádat o vysvětlení a případně právo požadovat odstranění vzniklého stavu, zejména blokování, provedení opravy, doplnění či likvidaci jeho Údajů a další práva uvedená v zákoně č. 101/2000 Sb., o ochraně osobních údajů, ve znění pozdějších předpisů.

Na poskytnutí výhry není právní nárok a hodnotu výher nelze vyplatit v penězích. Výherce bere na vědomí, že je povinen vypořádat své případné daňové povinnosti vůči státu.

Tyto podmínky jsou platné a účinné od 13.1.2021.

Na horu